
PRODUCT AND SOLUTIONS/
Use less electricity Use good electricity Renewable electricity
Products

Power Conversion System
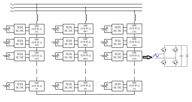
The topology of the high-voltage cascading Power Conversion System is composed of a grid-connected reactor, a cascading power unit, a battery module and corresponding control and protection equipment.
The topology of the high-voltage cascading Power Conversion System is composed of a grid-connected reactor, a cascading power unit, a battery module and corresponding control and protection equipment.

Energy storage at power generation side: load regulation, smoothing intermittent energy, improving the absorption of new energy, improving the reserve capacity of the power grid, and participating in frequency modulation.
Power transmission and distribution energy storage: improve power quality, reduce line loss, improve backup capacity of power grid, improve utilization efficiency of power transmission and distribution equipment, and delay capacity-increase demand.
Energy storage at customer side: smoothing load curve, load transfer, peak shaving.
Emergency power supply system: it is in standby state when the power grid is normal, and it can be started immediately when the power grid fails, so that the continuous power supply of the load can be ensured.
Fire power supply, emergency lighting, energy feedback, etc.
1、Frequency Modulation Application of Power Conversion System
The AC output of the frequency modulation device of the energy storage power station is connected with the on-site power grid (generator output end of the microgrid) to detect the load power of the power grid in real time. When the load suddenly increases, the energy is released from the super capacitor to provide power support for the load. When the load suddenly decreases, the super capacitor is charged to inhibit the voltage overshoot. The device plays a role of "peak resistance" for the local power grid, so the safety and reliability of the temporary power station system of the local power grid are improved greatly, and the device has the characteristics of fast response, energy saving and environmental protection. The control block diagram of the device is as shown in the figure.

Main advantages:
(1) Fast algorithm for judging sudden increase and decrease of load power. The power sudden change events within any setting time (within 1000ms) can be accurately and quickly identified through adopting the fast load power sudden increase and sudden decrease judgment algorithm based on the instantaneous reactive power theory.
(2) Perfect and thorough compensation strategy for sudden change of load power. The device can identify the load working condition accurately in real time, and complete single power sudden increase and sudden decrease compensation automatically, continuous power sudden change and sudden decrease, and power sudden change compensation of various random combinations according to the change of the working condition, so the impact of load sudden change on the power grid can be minimized.
(3) Excellent grid-connected index. The DC/AC main circuit adopts a three-level topology; the output voltage is five-step wave, and the grid-connected current harmonics is less than 3%.
(4) Multi-purpose: it has reactive compensation function and off-grid mode at the same time, and it can be used as backup power in case of power failure of local power grid.
2、Application of Peak Regulation of Power Conversion System
With the rapid economic development of our country, the power grids in many areas have large peak-valley differences and insufficient peak-shaving capacity, the transmission and distribution equipment has large loss and low utilization rate; the power grid has great pressure during peak seasons in summer, insufficient power supply, large-scale grid-connection of renewable energy and difficult absorption, etc. Large-scale energy storage device can solve the problems of "time difference contradiction between power generation and power consumption" and "impact of the direct power connection of the intermittent renewable energy power generation on the power grid" and play a role in regulating the power quality. For example, the "valley electricity" is stored in energy storage batteries and released for production and operation during peak season, so it can not only reduce the burden of the power grid, but also reduce the operating cost and play the role of peak shaving.

鲁公网安备 37083002000095号
鲁ICP备19001210号-1 Copyright © 2020 All Rights Reserved

